| Kromar Product Code (APC) | KRMRCF-M8-25-A2 |
|---|---|
| Thread Size | M10 (10mm) |
| Material | Stainless Steel (A2) |
| Finish | Doğal |
| Manufacturing Standard | DIN 9060 (A2) |
| Metrik / Whitworth | Metrik |
Teknik verilerde hata olduğunu düşünüyorsanız Bize bildirin.
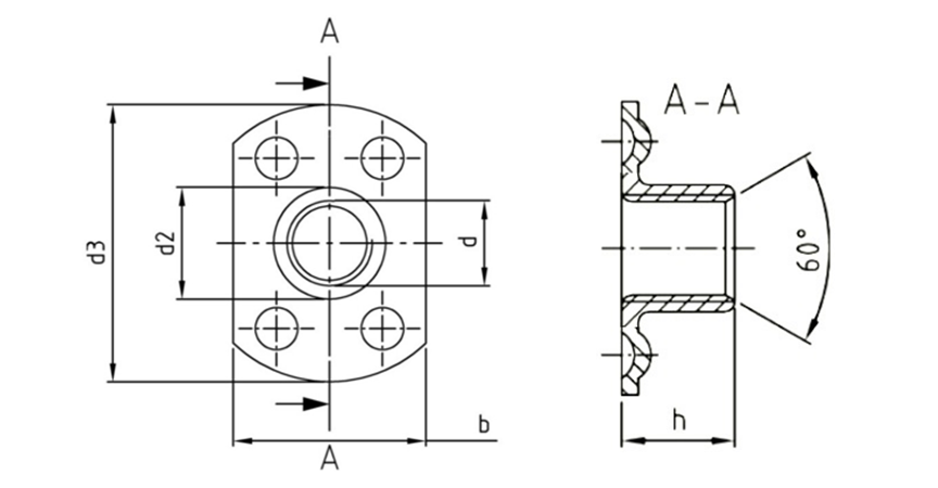
Kaynak Somunu B Serisi 4 Nokta (KRM 9060)
KRM 9060, Kromar bünyesinde yer alan özel ürünlerden biri olup, metal yüzeylere kalıcı bağlantı sağlamak amacıyla kaynak yöntemiyle sabitlenen bir somun çeşididir. Dış yapısındaki kaynak pabuçları ya da düz yüzeyi sayesinde metale doğrudan kaynak yapılabilir ve bu bağlantı uzun vadeli yüksek dayanım sunar.
Bu ürün, özellikle titreşimli ortamlarda gevşemeyen ve sökülmeyen bağlantılar gerektiren uygulamalar için tercih edilir. Kaynak somunlar, cıvata ile yapılan montajlarda yüzeyin arkasına erişimin mümkün olmadığı durumlarda mükemmel bir çözüm sağlar. KRM 9060 bu alanda hem sağlamlığı hem de pratik montaj avantajıyla öne çıkar.
A2 kalite paslanmaz çelik olarak temin edilen KRM 9060, kaynak işlemleri sırasında ısıl dayanımı ve korozyon direnci ile güvenli kullanım sunar. Ürün ayrıca, Kromar bünyesinde uygulanan karartma (siyah oksidasyon) ve kuru film yağlama hizmetleriyle hem estetik hem de işlevsel olarak kullanıcı ihtiyaçlarına göre özelleştirilebilir.
Kullanım Alanları
KRM 9060 kaynak somun; otomotiv sektörü, ağır sanayi ekipmanları, çelik konstrüksiyon sistemleri, savunma sanayi ve makinelerde kullanılır. Uzun ömürlü, yüksek dayanımlı ve bakım gerektirmeyen bağlantılar için ideal çözümdür.
|
içinde sipariş verirseniz bugün kargoda |
| ₺300,00 TL ve üzeri ücretsiz kargo |
Daha fazla ürün için lütfen Teklif Alın.
Cıvatalar
Vidalar
Somunlar
Pullar
Segman ve Gresörlük
Pim, Perçin, Kama ve Dübel
Boru Bağlantı ve Kelepçe
