| Kromar Product Code (APC) | KRMRCF-M8-25-A2 |
|---|---|
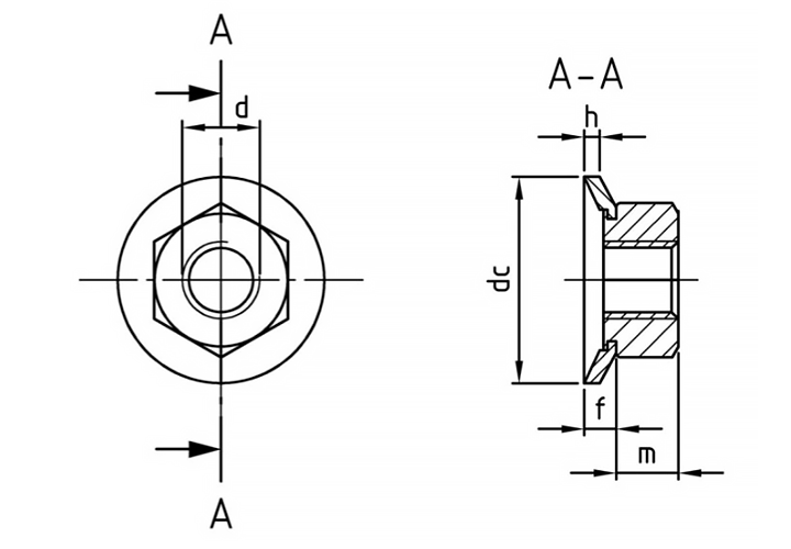
| Thread Size | M6 (6mm) |
| Material | Stainless Steel (A2) |
| Finish | Doğal |
| Overall Thickness (L) | 7.3mm |
| Nut Thickness (H) | 5mm |
| Head Diameter (D) | 6mm |
| Manufacturing Standard | KRM 9085 (A2) |
| Metrik / Whitworth | Metrik |
Teknik verilerde hata olduğunu düşünüyorsanız Bize bildirin.
Çanak Pullu Altı Köşe Somun (KRM 9085)
KRM 9085, Kromar bünyesinde yer alan özel ürünlerden biri olup, altı köşe formundaki gövdesine entegre edilmiş geniş ve hafif bombeli bir pul yüzeyi sayesinde, baskı alanını artırarak bağlantı yapılan yüzeyde daha dengeli kuvvet dağılımı sağlayan bir çanak pullu altı köşe somun modelidir.
Entegre çanak pullu yapısı sayesinde, bağlantı yüzeyini korur, titreşim kaynaklı gevşemeleri önler ve özellikle yumuşak ya da boyalı yüzeylerde iz bırakmadan sıkma yapılmasını mümkün kılar. Altı köşe formu sayesinde standart anahtarlarla kolayca uygulanabilir ve bağlantı işlemleri hızlı, pratik ve güvenilir şekilde gerçekleştirilir.
KRM 9085, yalnızca A2 kalite paslanmaz çelik olarak temin edilmektedir. Bu sayede, iç ve dış mekan uygulamalarında korozyon direnci yüksek, uzun ömürlü bir çözüm sunar. Ayrıca, ürün Kromar bünyesinde sunulan karartma (siyah oksidasyon) ve kuru film yağlama işlemleriyle ihtiyaca göre işlevsel ve estetik olarak özelleştirilebilir.
Kullanım Alanları
KRM 9085 çanak pullu altı köşe somun; beyaz eşya montajları, iç mekân dekoratif sistemleri, mobilya bağlantı elemanları, sac ve ince yüzeyli yapı elemanlarında kullanılır. Estetik kaygıların olduğu uygulamalarda bile yüksek tutuş gücü ve yüzey koruması sunar.
|
içinde sipariş verirseniz bugün kargoda |
| ₺300,00 TL ve üzeri ücretsiz kargo |
Daha fazla ürün için lütfen Teklif Alın.
Cıvatalar
Vidalar
Somunlar
Pullar
Segman ve Gresörlük
Pim, Perçin, Kama ve Dübel
Boru Bağlantı ve Kelepçe
